Home
About us
Company profile
Corporate Identity
Development history
News
Products
滚珠丝杠
BSG-研磨级滚珠丝杠
BSR-转造级滚珠丝杠
滚珠丝杆BS系列
滚珠丝杆CBG系列
滚珠丝杆MBG系列
滚珠丝杆KBG系列
滚珠丝杆FBR系列
行星滚柱丝杠系列
电机丝杠
MBS-步进电机
MBS低压伺服系列
MBS交流伺服系列
MLS系列
电动缸
MEC-电动缸
电机执行器
DD-直接驱动执行器
ZR模组系列
MAS-滑台式电机执行器
MASS-简易滑台式电机执行器
MAC-活塞式电机执行器
DD-马达系列
MIR-工业机器人执行器
滑台系列
电动夹爪
MRG-电动夹爪
驱动器
SM-一般步进电机驱动器
SS-步进伺服电机驱动器
伺服电机驱动器
Application
Contact us
中文
日本语
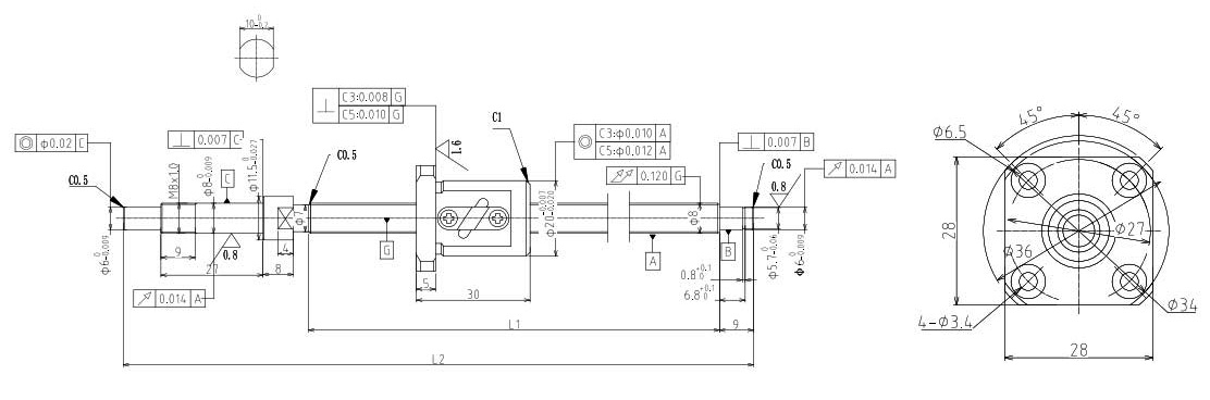
BSG0802
Outline
Specification content
Speed and thrust
Options
Download
*备注:除以上标准轴端以外,可按客户要求加工轴端。
项目内容
单位
型号
BSG0802
精度等级
-
C3
C5
轴向间隙
um
0
5
基本额定动负载
N
1230
1950
基本额定静负载
N
1300
2600
预压扭矩
N・cm
0~2.0
0~0.5
循环数
*卷1列
2.5
2.5
钢球直径
mm
1.5875
1.5875
PDF catalog download
Product drawing Download
3D drawing download
Related Products
BSG0401K
BSG0502K
BSG0601K
BSG0602K
BSG0801K
BSG0802K
13644407531