Home
About us
Company profile
Corporate Identity
Development history
News
Products
滚珠丝杠
BSG-研磨级滚珠丝杠
BSR-转造级滚珠丝杠
滚珠丝杆BS系列
滚珠丝杆CBG系列
滚珠丝杆MBG系列
滚珠丝杆KBG系列
滚珠丝杆FBR系列
行星滚柱丝杠系列
电机丝杠
MBS-步进电机
MBS低压伺服系列
MBS交流伺服系列
MLS系列
电动缸
MEC-电动缸
电机执行器
DD-直接驱动执行器
ZR模组系列
MAS-滑台式电机执行器
MASS-简易滑台式电机执行器
MAC-活塞式电机执行器
DD-马达系列
MIR-工业机器人执行器
滑台系列
电动夹爪
MRG-电动夹爪
驱动器
SM-一般步进电机驱动器
SS-步进伺服电机驱动器
伺服电机驱动器
Application
Contact us
中文
日本语
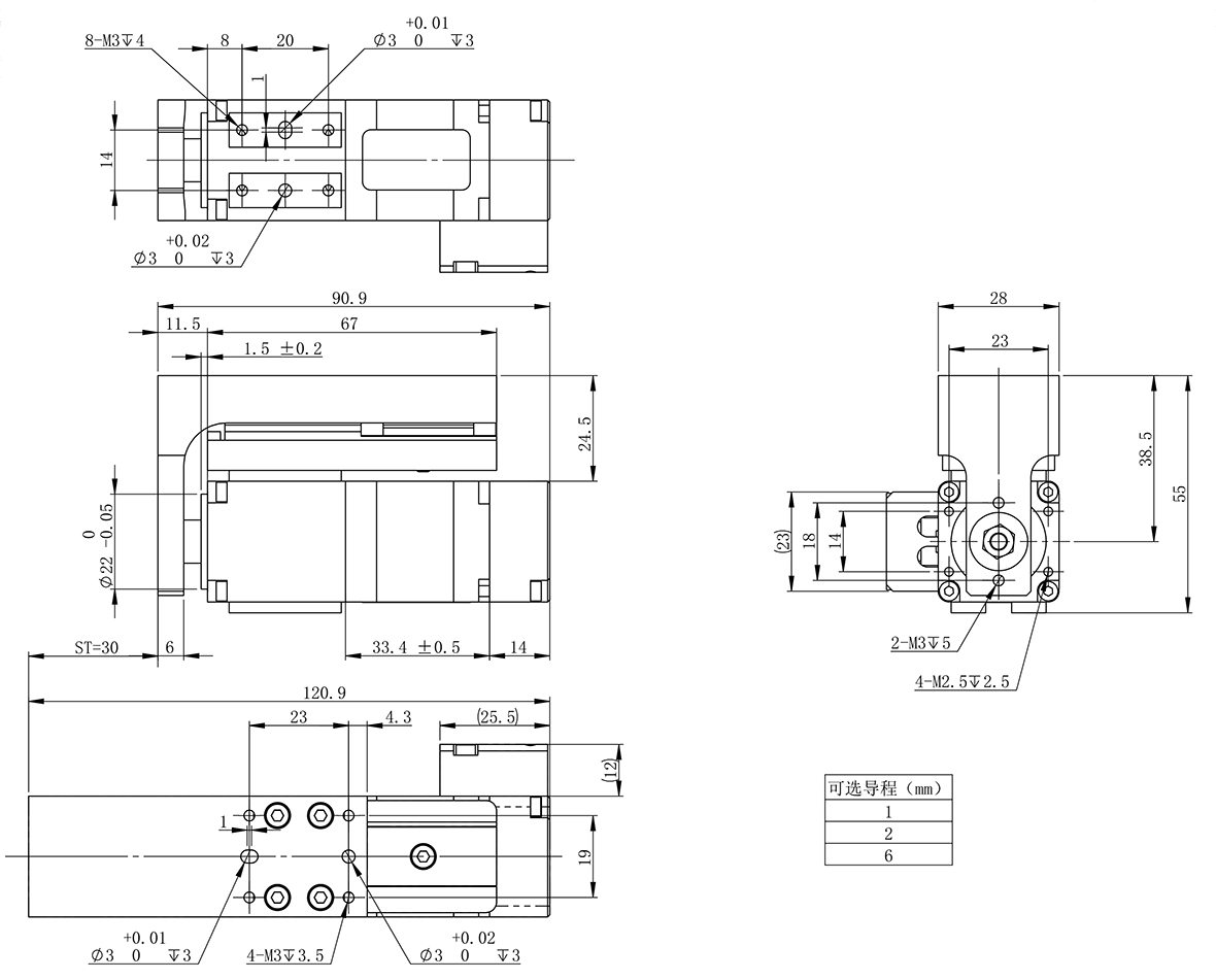
MEC28
Outline
Specification content
Speed and thrust
Options
Download
Related Products
MEC42
MEC42
MEC42
MEC28
MEC28
MEC20
13644407531