首页
关于恒科鑫
公司简介
企业理念
发展历程
公司新闻
产品展示
滚珠丝杠
BSG-研磨级滚珠丝杠
BSR-转造级滚珠丝杠
滚珠丝杆BS系列
滚珠丝杆CBG系列
滚珠丝杆MBG系列
滚珠丝杆KBG系列
滚珠丝杆FBR系列
行星滚柱丝杠系列
电机丝杠
MBS-步进电机
MBS低压伺服系列
MBS交流伺服系列
MLS系列
电动缸
MEC-电动缸
电机执行器
DD-直接驱动执行器
ZR模组系列
MAS-滑台式电机执行器
MASS-简易滑台式电机执行器
MAC-活塞式电机执行器
DD-马达系列
MIR-工业机器人执行器
滑台系列
电动夹爪
MRG-电动夹爪
驱动器
SM-一般步进电机驱动器
SS-步进伺服电机驱动器
伺服电机驱动器
行业应用
联系我们
English
日本语
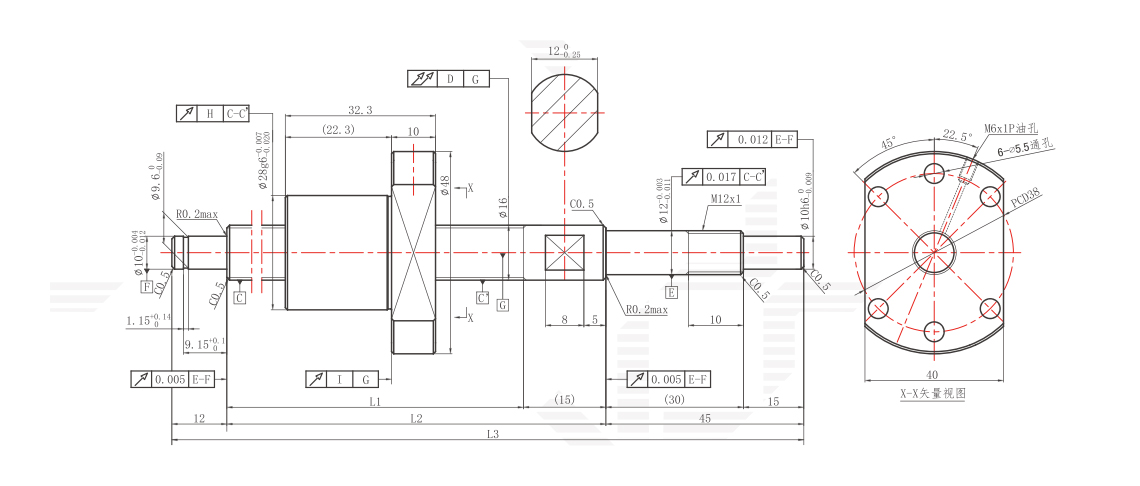
FBG1605
外形图
规格内容
速度与推力
选项
下载
相关产品
FBG0400.5
FBG0401
FBG0402
FBG0404
FBG0501
FBG0601
FBG0602
13644407531